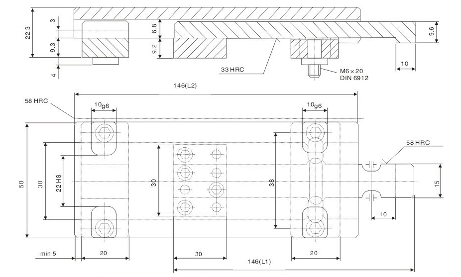
※ 注意事項 :在模具加工中,必須計算相同的行程對稱安裝,否則會導致單套鎖模扣受力不平衡, 導致組件斷裂 。
※ Precautions: lt is required to calculate the same stroke for symmetrical installation during die processing. Otherwise, it will cause unbalance force of single set of modelocking buckle and breakage of component.












