
HROA:HROA+FA(前法蘭板型) TYPE | 大型高壓圓油壓缸尺寸圖 21Mpa HR0 Series Dimensional Features |
![]() | |
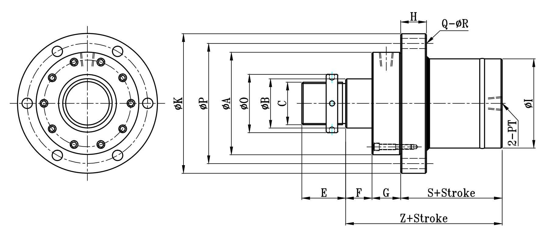
HROD:HROAD+FA(雙軸前法蘭版型) TYPE

| HROA-HROD-FA TYPE | |||||||||||||||||||
| 缸徑 BORE | ΦA | ΦB | C | H | ΦI | ΦK | ΦP | Φ0 | E | F | G | S | S1 | Z | ZD | AH | Q | ΦR | PT |
| Φ125 | 170 | 60 | M50xP2.0 | 34 | 145 | 240 | 205 | 65 | 60 | 25 | 45 | 120 | 110 | 190 | 250 | 50 | 6 | 18 | 3/4 |
| Φ140 | 190 | 70 | M60xP2.0 | 39 | 165 | 270 | 230 | 80 | 70 | 25 | 50 | 125 | 115 | 200 | 265 | 60 | 6 | 20 | 3/4 |
| Φ150 | 200 | 80 | M70xP2.0 | 39 | 180 | 280 | 240 | 100 | 80 | 25 | 55 | 130 | 120 | 210 | 280 | 60 | 6 | 20 | 1 |
| Φ160 | 210 | 80 | M70xP2.0 | 39 | 190 | 290 | 250 | 100 | 80 | 30 | 55 | 140 | 130 | 225 | 300 | 60 | 6 | 20 | 1 |
| Φ180 | 235 | 100 | M90xP2.0 | 44 | 210 | 315 | 275 | 120 | 100 | 30 | 60 | 150 | 130 | 240 | 310 | 60 | 8 | 20 | 1 1/4 |
| Φ200 | 260 | 120 | M100xP3.0 | 49 | 235 | 340 | 300 | 130 | 110 | 30 | 65 | 160 | 140 | 255 | 330 | 65 | 8 | 22 | 1 1/4 |
| Φ220 | 290 | 140 | M120xP3.0 | 49 | 260 | 380 | 335 | 150 | 130 | 30 | 65 | 170 | 150 | 265 | 340 | 70 | 8 | 24 | 1 1/4 |
| Φ250 | 325 | 160 | M140xP3.0 | 54 | 299 | 430 | 380 | 180 | 150 | 30 | 70 | 180 | 160 | 280 | 360 | 75 | 8 | 26 | 1 1/4 |
| Φ280 | 360 | 180 | M160xP3.0 | 59 | 325 | 470 | 420 | 200 | 160 | 30 | 70 | 230 | 210 | 330 | 410 | 80 | 10 | 26 | 1 1/2 |
| Φ300 | 385 | 200 | M180xP3.0 | 64 | 351 | 510 | 450 | 220 | 160 | 35 | 70 | 240 | 230 | 345 | 440 | 90 | 10 | 29 | 1 1/2 |
| Φ320 | 410 | 220 | M200xP3.0 | 69 | 377 | 540 | 490 | 240 | 180 | 35 | 75 | 250 | 240 | 360 | 460 | 95 | 10 | 29 | 1 1/2 |
| Φ350 | 440 | 250 | M220xP3.0 | 74 | 420 | 590 | 530 | 260 | 180 | 35 | 75 | 260 | 250 | 370 | 470 | 100 | 12 | 32 | 1 1/2 |
| Φ400 | 490 | 300 | M280xP3.0 | 79 | 480 | 630 | 570 | 320 | 180 | 35 | 75 | 270 | 260 | 380 | 480 | 110 | 14 | 32 | 1 1/2 |
訂購:hr0a-fa