
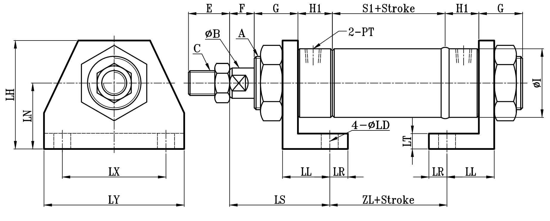
ROB:ROB+LAA(架) TYPE | 圓型中型油壓缸LAA架尺寸圖 14Mpa R0 Series LAA Dimensional Features |
![]() | |
ROD:ROD+LAA(架) TYPE

注:感應油缸時,不論是單軸還是雙軸缸,缸筒長度的選擇均為雙軸缸的缸筒長度
| ROB-ROD TYPE | LAA(腳座型)TYPE | |||||||||||||||||||||
| 缸徑 BORE | A | ΦB | C | E | F | G | H1 | ΦI | PT | S1 | S | LS | ZL | ZLL | ΦLD | LH | LN | LL | LR | LT | LX | LY |
| Φ32 | M30xP1.5 | 16 | M14xP1.5 | 30 | 15 | 25 | 25 | 42 | 1/4 | 60 | 80 | 66 | 58 | 78 | 10 | 63 | 40 | 34 | 16 | 8 | 58 | 80 |
| Φ40 | M40xP2.0 | 20 | M16xP1.5 | 30 | 15 | 25 | 25 | 50 | 3/8 | 60 | 80 | 67 | 56 | 76 | 12 | 80 | 48 | 37 | 18 | 10 | 70 | 96 |
| Φ50 | M50xP2.0 | 25 | M22xP1.5 | 40 | 20 | 30 | 30 | 60 | 3/8 | 71 | 95 | 80 | 70 | 95 | 14 | 80 | 48 | 40 | 20 | 10 | 84 | 114 |
| Φ63 | M60xP2.0 | 35 | M30xP1.5 | 40 | 20 | 30 | 30 | 73 | 3/8 | 71 | 95 | 84 | 62 | 87 | 16 | 100 | 60 | 46 | 24 | 12 | 101 | 135 |
| Φ80 | M70xP2.0 | 40 | M30xP1.5 | 45 | 25 | 35 | 35 | 92 | 1/2 | 83 | 110 | 96 | 81 | 108 | 18 | 125 | 75 | 50 | 25 | 14 | 123 | 160 |
| Φ100 | M90xP2.0 | 50 | M40xP2.0 | 50 | 25 | 35 | 35 | 114 | 1/2 | 93 | 120 | 100 | 83 | 110 | 20 | 150 | 85 | 56 | 29 | 16 | 150 | 192 |
| Φ125 | M120xP2.5 | 60 | M50xP2.0 | 60 | 30 | 40 | 40 | 140 | 3/4 | 98 | 130 | 115 | 88 | 120 | 24 | 185 | 105 | 63 | 32 | 18 | 185 | 233 |
| Φ140 | M140xP2. 5 | 70 | M60xP2.0 | 70 | 30 | 40 | 40 | 160 | 3/4 | 98 | 130 | 115 | 88 | 120 | 26 | 220 | 120 | 65 | 35 | 20 | 214 | 274 |
| Φ150 | M150xP3.0 | 80 | M70xP2.0 | 80 | 30 | 45 | 45 | 168 | 3/4 | 113 | 150 | 123 | 107 | 144 | 29 | 230 | 130 | 68 | 37 | 20 | 224 | 284 |
| Φ160 | M160xP3.0 | 80 | M70xP2.0 | 80 | 30 | 45 | 45 | 178 | 3/4 | 113 | 150 | 128 | 97 | 134 | 29 | 245 | 140 | 73 | 39 | 20 | 255 | 320 |
| Φ180 | M180xP3.0 | 100 | M90xP2.0 | 100 | 35 | 50 | 50 | 200 | 1 | 130 | 170 | 139 | 122 | 162 | 32 | 265 | 150 | 78 | 42 | 24 | 265 | 330 |
| Φ200 | M200xP3.0 | 100 | M90xP2.0 | 100 | 35 | 50 | 50 | 228 | 1 | 130 | 170 | 141 | 118 | 158 | 35 | 285 | 160 | 80 | 45 | 24 | 293 | 364 |
| Φ220 | M220xP3.0 | 125 | M100xP3.0 | 110 | 35 | 55 | 55 | 250 | 1 1/4 | 147 | 190 | 149 | 139 | 182 | 38 | 305 | 170 | 85 | 48 | 26 | 318 | 394 |
| Φ250 | M250xP3.0 | 125 | M100xP3.0 | 110 | 35 | 55 | 55 | 276 | 1 1/4 | 147 | 190 | 154 | 129 | 172 | 41 | 330 | 180 | 90 | 52 | 26 | 343 | 425 |
訂購:r0-laa